
Группа исследователей проанализировала 266 образцов древесного угля, которые археологи раскопали на ашельском памятнике Гешер-Бенот-Яаков, расположенном в Израиле. В большинстве случаев ученые определили, какие породы древесины архаические люди использовали в качестве топлива. Хотя на стоянке присутствовали сгоревшие дрова из множества различных деревьев и прочих растений, примерно половина угля представляла собой остатки ясеня. Причем, как пишут авторы статьи, опубликованной в журнале Quaternary Science Reviews, архаические люди, проживавшие на берегу озера примерно 780 тысяч лет назад, возможно, использовали в качестве топлива главным образом так называемый плавник.
На севере современного Израиля, в долине реки Иордан, в начале 1930-х годов археологи обнаружили местонахождение Гешер-Бенот-Яаков, которое представляет собой группу из примерно 20 стоянок архаических людей, которые приблизительно 780 тысяч лет назад периодически останавливались на берегу палеоозера Хула. Систематические исследования этого памятника показали, что он представляет собой один из ключевых объектов ашельской эпохи, расположенных в Леванте.
За долгие годы раскопок ученые обнаружили там множество разнообразных материалов, рассказывающих о жизни очень древних Homo. Помимо характерных для ашеля двусторонних ручных рубил, археологи нашли там, возможно, древнейшие сохранившиеся до наших дней фрагменты древесины с вероятными следами обработки, самые ранние свидетельства приготовления пищи на огне, которые представляли собой остатки рыбы, пойманной в озере. Хорошая сохранность материалов на этом памятнике недавно даже позволила выяснить, какую растительную пищу употребляли обитатели древних стоянок. На поверхности каменных артефактов ученые выявили остатки дубовых желудей, диких злаков, желтых кубышек и водяного ореха.
Этель Альюэ (Ethel Allué) из Каталонского института палеоэкологии человека и социальной эволюции (IPHES) и ее коллеги из Германии и Израиля сосредоточили свое внимание на еще одном важном аспекте жизнедеятельности архаических людей — использовании огня. Достаточно давно археологи обнаружили на памятнике Гешер-Бенот-Яаков очень ранние следы того, что обитатели стоянок пользовались огнем. Однако там нет четко выраженных очагов, из-за чего исследователи прозвали их «очагами-призраками», на которых, среди прочего, архаические люди, по-видимому, готовили еду.
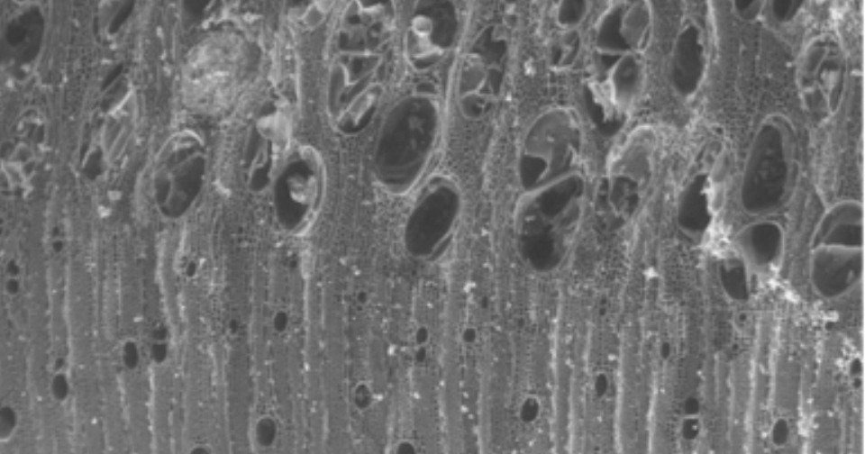
В новой статье ученые представили результаты антракологического анализа древесных углей, раскопанных на памятнике Гешер-Бенет-Яаков. В общей сложности они отобрали для исследования 266 древних образцов и более чем в 70 процентах случаев (188 образцов) определили, к каким таксонам относились недогоревшие дрова. По данным специалистов, архаические люди использовали на берегу некогда существовавшего озера Хула весьма разнообразное растительное топливо: от деревьев и кустарников до травянистых растений, что в целом неудивительно. При этом больше половины образцов древесного угля представляли собой остатки ясеня (Fraxinus sp.), заметное количество образцов (почти восемь процентов) оказались остатками оливы (Olea sp.).
Помимо непосредственно определения таксонов растений, которые выступали топливом архаическим людям из Леванта, ученые остановились на том, где они брали дрова. По словам исследователей, вполне вероятно, что они собирали валежник или плавник, то есть стволы или ветки деревьев, которые плавали в озере или уже были выброшены на берег. Причем особый акцент археологи сделали именно на выкидном лесе, сбор которого — распространенная практика во многих прибрежных районах, особенно в тех, где в принципе растет не очень много деревьев. По мнению авторов статьи, архаические люди из Гешер-Бенот-Яаков неоднократно селились на берегу палеоозера Хула не только из-за наличия пресной воды, доступности пищевых ресурсов, но и, возможно, из-за наличия выброшенных на берег дров.
При этом в Леванте известны и даже более древние потенциальные свидетельства использования огня. На памятнике Еврон, который также находится в Израиле, археологи обнаружили каменные артефакты и фрагменты бивня, которые подвергались воздействию высокой температуры. Эти данные позволили ученым выдвинуть гипотезу, что уже около 1–0,8 миллиона лет назад обитатели стоянки пользовались огнем.